Paten baru Huawei ungkap teknologi proyeksi stereoskopis 3D
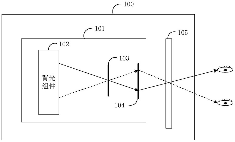
Diagram paten menunjukkan bahwa teknologi ini terutama difokuskan pada sistem proyeksi stereoskopis dan dapat digunakan untuk menonton proyeksi 3D.
Huawei baru-baru ini meluncurkan paten baru untuk teknologi proyeksi stereoskopis hemat biaya, yang dapat menghadirkan peluang menarik bagi penjual dan konsumen. Perusahaan ini mengajukan paten pada 27 Juli 2022, dan diterbitkan pada 20 Januari 2023 dengan nomor aplikasi CN202211090428.
Proyeksi stereografi adalah teknik yang menampilkan properti sudut dari objek permukaan bidang pada satu gambar. Dalam teknik ini, arah dan bidang dapat digambarkan, dan menggunakan teknik grafis, setiap sudut yang diinginkan dapat diukur secara langsung dari proyeksi itu sendiri.
Namun, dalam proyeksi stereoskopis, dua gambar diproyeksikan pada saat yang sama, satu untuk mata kiri dan satu lagi untuk mata kanan. Dilansir dari Gizmochina (3/2), paten Huawei terbaru ini mencakup perakitan lampu latar, modulator cahaya spasial, dan layar diffuser yang bekerja bersama untuk memproyeksikan dua gambar secara bersamaan, dilihat dari mata kiri dan kanan, pada 60 kali per detik.
Modulator cahaya spasial dapat memproyeksikan dua gambar terpisah ke layar difusi pada sudut yang berbeda. Dengan berbagi modulator cahaya spasial yang sama, biaya sistem proyeksi stereoskopis dapat dikurangi, menjadikannya solusi hemat biaya. Diagram paten menunjukkan bahwa teknologi ini terutama difokuskan pada sistem proyeksi stereoskopis dan dapat digunakan untuk menonton proyeksi 3D, memungkinkan konsumen untuk menikmati film 3D dari kenyamanan rumah mereka sendiri.
Perkembangan menarik dari Huawei ini berpotensi menghadirkan tingkat pengalaman baru bagi konsumen, menawarkan proyeksi 3D berkualitas tinggi dan hemat biaya. Di tahun-tahun mendatang, sangat mungkin kita melihat perangkat Huawei dengan proyektor stereoskopik.









